2.¥×¥ê¥ó¥È´ðÈÄÀ½ºî
a¡¡¥¥ã¥É¤ÎÍøÍÑ
¤Ï¤¸¤á¤Ë¡¡0.3mmÇÛÀþ´ðÈĤò¼êºî¤ê¤Çºî¤ê¤Þ¤·¤¿¡£
¸«ËÜ1¡Ú½é²óºîÀ®ÈÇ¡Û
a¡¡¥¥ã¥É¤ÎÍøÍÑ
¹â¸Í롡䤵¤óºî¤ÎPCBE¤òÍøÍѤ·¤Þ¤·¤¿¡£
¤ª¤¹¤¹¤á¤ÎPCBE¤Î»È¤¤Êý¡¡¥ê¥ó¥¯
http://www.picfun.com/pcbeframe.html
http://akita11.jp/plan/pcbeguide/
¸«ËÜ1

beeÀ½ºî¼Ô¤Î²ÃÆ£¤µ¤ó¤Î¤è¤¦¤ËåºÎï¤Ëºî¤ë¤³¤È¤Ï¤Ç¤¤Þ¤»¤ó¤Ç¤·¤¿¡£
ºî¤êÊý¡¡¿ÞÌ̤ò¸«¤Ê¤¬¤éÉôÉʤòÇÛÃÖ¤·¤Þ¤¹¡£
point¤Ï³ÆÉôÉʤÎÀ£Ë¡¤¬É¬ÍפǤ¹¡£

³ÆÉôÉÊÀ£Ë¡¤Ë¤Ä¤¤¤Æ
CPU¡¡STM32F103xx LQFP48 ¥Ô¥óÇÛÃÖ


ÅŸ»1¡¡¥¹¥¤¥Ã¥Á¥ó¥°ÅŸ»¡¡tps62056
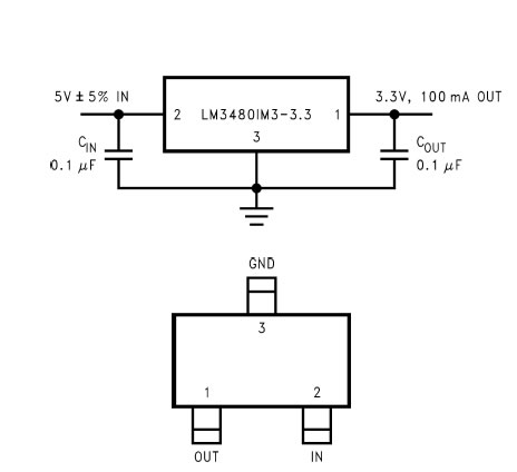
ÅŸ»2¡¡¥ì¥®¥å¥ì¡¼¥¿ÅŸ»¡¡LM3480
¡¡
¥¹¥Ô¡¼¥«¡¼¡¡SMT-0540-S-R
¥í¡¼¥¿¡¼¥ê¡¼¥¨¥ó¥³¡¼¥À¡¡OMS-125-2T
moter¡¡MK06-4.5 (¦Õ6mmx12mm 4.5¦¸)
http://www.didel.com/microkit/moteurs/Motors.html

